-
2021 KCS 41 33 03 경골목공사 표준시방서건축 2022. 1. 27. 09:00
1. 일반사항
1.1 적용범위
이 기준은 구조내력 상 주요한 부분에 규격구조재(1종구조재)가 사용되는 경골목공사에 적용한다.
1.2 참고 기준
1.2.1 관련 법규
벽체의 차음구조 인정 및 관리기준
1.2.2 관련 기준
KDS 41 33 07 목구조 경골목구조
KDS 41 90 33 소규모건축기준 목구조
KDS 41 00 00 건축구조기준
KCS 11 00 00 지반공사
KCS 41 33 01 목공사 일반
KS B 1056 +자홈 나사못
KS D 3503 일반 구조용 압연 강재
KS D 7052 스테인리스강 못
KS F 1552 목조표준용어-목조건축
KS F 2089 목조건축 덮개재료용 목질판상재
KS F 3020 침엽수 구조용재
KS F 3021 구조용 집성재
KS F 3025 토대용 가압식 방부처리 목재
KS F 3113 구조용 합판
KS F 3504 석고보드 제품
KS F 3514 석고판용 못
KS F 4514 목구조용 철물
KS F 4537 목조건축용 철못
1.3 제출물
KCS 41 33 01 (1.4)에 따른다.
1.4 품질보증
KCS 41 33 01 (1.5)에 따른다.
1.5 환경유의사항
KCS 41 33 01 (1.6)에 따른다.
2.1 일반 사항
(1) 경골목공사에 사용하는 자재는 한국산업표준에서 정한 성능에 준하는 것으로 하며 한국산업표준 제품이 없는 경우에는 한국산업표준과 동등 이상의 품질을 갖는 것으로 한다.
(2) 재료의 품질이 명시되지 아니한 경우는 다른 대체 자재와 동등하다고 인정된 품질의 것을 담당원의 승인을 받아 사용할 수 있다.
2.2 목재(규격구조재)
2.2.1 규격구조재의 품질
구조내력상 주요한 부분에 이용하는 규격구조재의 품질은 구조부재의 종류에 따라 표 2.2-1에 따른다.
구조부재의 종류 규격 (1) 토대, 바닥장선, 끝막이장선, 옆장선, 인방, 천장 장선, 서까래 및 마루대 KS F 3020에 의한 1종구조재(규격구조재)의 1등급 또는 2등급
국립산림과학원 고시에 의한 1종구조재의 1등급 또는 2등급
KS F 3021에 의한 구조용 집성재
구조용 단판적층재(LVL)
기계에 의한 휨응력 등급구분을 하는 구조재의 KS F 3020에 의한 기계등급 구조재(MSR)(2) 벽 상인방 (1)에 의한 규격구조재 및 동 3등급 (3) 스터드 (1)에 의한 규격구조재 (4) 위/밑 깔도리 (1)에 의한 규격구조재 및 동 3등급 (5) 가새 (1)에 의한 규격구조재
KS D 3503의 SS275과 동등 이상의 품질을 가지며 두께 1mm 이상 및 너비 40mm 미만으로서 못을 박을 수 있는 구멍이 일정한 간격으로 뚫린 띠쇠2.2.2 단면치수
규격구조재 및 집성재의 치수와 형식은 KS F 3020, 국립산림과학원 고시 및 KS F 3021에 적합한 것으로 한다.
2.3 구조용 판재
구조내력상 주요한 부분에 사용하는 구조용 판재(바닥덮개, 벽덮개 및 지붕덮개)의 품질은 구조부재 및 재료의 종류에 따라 표 2.3-1에 따르며 재료의 종류, 등급, 두께 등은 설계도서에 따른다.
종류 재료의 종류 규격 벽 구조용 합판 KSF 2089에 따른다. 오에스비 KSF 2089에 따른다. 석고보드 KS F 3504(단, 옥외에 접하는 부분 및 상시 습윤의 상태가 될 우려가 있는 부분에는 이용할 수 없다). 바닥 및 지붕 구조용 합판 KSF 2089에 따른다. 오에스비 KSF 2089에 따른다. 2.4 못
(1) 경골목조건축에 사용되는 못은 KS F 4537에 적합한 목조건축용 철못(BXN), 일반 철못(CMN 또는 BXN), KS F 3514에 적합한 석고판용 못(GNF 또는 GNSF) 또는 KS D 7052에 적합한 스테인리스강 못(SFN)으로 한다.
(2) 못박기는 끝면못박기, 경사못박기, 표면못박기로 하고 끝면못박기에는 CMN90 또는 BXN90을, 경사못박기에는 CMN75 또는 BXN75를, 표면못박기에는 재료의 두께가 40mm를 초과하는 경우에는 CMN90 또는 BXN90, 그 이하인 경우에는 CMN65 또는 BXN65를 사용한다.
(3) 각 접합부에 대한 못박기방법, 못의 치수 및 개수는 다음 표 2.4-1에 의한다.
(4) GNSF40 또는 SFN45는 내력벽에 붙이는 석고보드에, CMN50 또는 BXN50은 내력벽에 붙이는 구조용 합판에 사용하며 내력벽에 석고보드를 붙이는 나사못은 KS B 1056에 적합한 것으로 한다.
(5) 못 또는 나사못의 길이는 별도의 설계도서가 없으면 고정시키는 판 두께의 2.5배 이상으로 하고 고정시키는 판 등이 쪼개지지 않도록 적절한 가장자리 비우기 및 둘레 비우기를 한다.
접합부 못박기 기준1) 못박기방법 못의 치수 및 개수2) 장선과 토대 또는 큰보 경사못박기 CMN 또는 BXN65 못 3개 보막이와 장선 경사못박기 각 끝 면에 CMN 또는 BXN65 못 2개 밑깔도리와 장선 또는 보막이 표면못박기 중심간격 400mm로 CMN 또는 BXN90 못 위깔도리와 스터드 끝면못박기 CMN 또는 BXNN90 못 2개 스터드와 밑깔도리 경사못박기 CMN 또는 BXN65 못 4개 끝면못박기 CMN 또는 BXN90 못 2개 이중 스터드 표면못박기 중심간격 600mm로 CMN 또는 BXN90 못 이중 깔도리 표면못박기 중심간격 400mm로 CMN 또는 BXN90 못 위깔도리 이음부 표면못박기 CMN 또는 BXN90 못 2개 헤더(2개의 부재 조립보) 표면못박기 중심간격 400mm로 CMN 또는 BXN90 못 천장 장선과 위깔도리 경사못박기 CMN 또는 BXN65 못 3개 헤더와 스터드 경사못박기 CMN 또는 BXN65 못 4개 실내 칸막이벽 위에서 천장 장선의
겹침 부위표면못박기 CMN 또는 BXN90 못 3개 천장 장선과 서까래 표면못박기 CMN 또는 BXN90 못 3개 서까래와 위깔도리 경사못박기 CMN 또는 BXN65 못 3개 모서리 스터드 표면못박기 중심간격 600mm로 CMN 또는 BXN90 못 조립보 표면못박기 상하단에서 중심간격 800mm로 CMN 또는 BXN90 못, 1개씩 끝 면과 각 연결부에서 CMN 또는 BXN90 못 2개 두께 38mm 널판 표면못박기 각 지점 위에서 CMN 또는 BXN90 못 2개
(데크의 경우에는 방청못)바닥 밑판, 지붕덮개 및 벽덮개와 골조:
두께 15mm 이하의 구조용 판재
두께 15∼25mm 이하의 구조용 판재
두께 28∼31mm 이하의 구조용 판재
CMN 또는 BXN50 못
CMN 또는 BXN65 못
CMN 또는 BXN75 못구조용 판재 외벽널(사이딩)과 골조:
두께 12mm 이하의 구조용 판재
두께 15mm 이하의 구조용 판재
CMN 또는 BXN50 못
CMN 또는 BXN65 못주 1)SR=못의 종류가 별도로 규정되지 않은 경우에는 KS F 4537에 적합한 적당한 크기의 못을 사용한다.
2)표의 CMN 또는 BXN 못(보통못)은 같은 길이의 BXN 못(박스못)으로 대체할 수 있다.2.5 접합철물
접합철물은 KS F 4514 에 따르며 이와 동등 이상의 성능을 가진 것은 담당원의 승인을 받아 사용할 수 있다.
3. 시공
3.1 기초
경골목공사의 기초에 관한 일반사항은 KCS 11 00 00에 따르며 기초에 대한 세부사항은 KDS 41 33 07(1.2)에 따른다.
3.2 토대
3.2.1 토대의 치수 및 형식
(1) 토대에 사용하는 목재는 표 2.2-1에 적합한 것으로 한다.
(2) 토대에는 KCS 41 33 01에 규정하는 방부⋅방충 처리한 것 또는 KS F 3025에 적합한 가압식 방부 처리 목재를 사용한다.
3.2.2 토대의 설치
(1) 1층의 모든 벽 아래쪽에 토대를 설치한다.
(2) 토대는 앵커볼트 또는 이와 유사한 강도를 갖는 강철 띠쇠 등의 철물을 사용하여 기초구조에 고정한다.
(3) 앵커볼트는 지름 12mm 이상, 길이 230mm 이상의 것으로서 끝 부분이 기초구조 내에 180mm 이상의 깊이로 묻히도록 설치한다. 고정볼트는 토대 끝면 또는 개구부로부터 150mm 이내에 고정하고, 토대 1개당 2개 이상의 고정볼트를 사용하며, 고정볼트 사이의 간격은 1.8m 이하로 한다.
(4) 기초구조로부터 토대로 수분이 전달되는 것을 방지하기 위하여 토대 밑면에 수분의 침투를 방지할 수 있는 방수지 또는 이와 동등 이상의 방수 성능을 갖는 재료를 덧대어야 한다.
3.3 바닥
3.3.1 일반사항
(1) 목조건축물의 바닥구조는 건축물의 구조요소로서 하중을 전달하며 처짐과 과도한 진동을 억제하고 마감바닥을 위한 바닥면을 제공한다.
(2) 바닥면은 평평하여야 하며 바닥 마감재를 설치하기에 적합하여야 한다.
3.3.2 바닥구조의 구성
(1) 바닥은 바닥장선, 옆막이 장선, 끝막이(헤더) 장선, 그리고 개구부 주변의 개구부 헤더장선, 개구부 옆막이 장선 및 반장선으로 구성된다.
(2) 바닥장선은 설계도서에 따라 610 mm이하의 간격으로 배치하며 바닥장선의 양끝에는 바닥장선과 같은 단면의 부재로 끝막이(헤더) 장선을 설치한다.
(3) 바닥장선의 높이가 235mm 이상인 경우에는 바닥장선 사이에 2.4m 이하의 간격으로 바닥장선과 같은 치수의 부재로 보막이를 설치한다.
3.3.3 바닥장선
(1) 바닥장선은 KS F 3020의 2등급 또는 이와 동등 이상의 허용응력을 지닌 1종 구조재로서 너비 140mm 이상의 것을 사용하며 바닥장선 상호간의 간격은 설계도서에 명시된 바가 없는 경우에는 610mm 이하로 한다.
(2) 바닥의 골조부재 사이의 못박기는 표 2.4-1에 따른다.
(3) 풍속이 40m/s 이상인 경우에는 바닥격막의 가장자리에 위치하는 3개 이상의 바닥장선 사이에 바닥장선과 같은 치수의 보막이를 1,200mm 이하의 간격으로 설치하여야 한다.
3.3.4 옆막이장선 및 끝막이장선
(1) 끝막이장선과 옆막이장선, 옆막이장선과 바닥장선 사이에는 각각 3개의 CMN90 또는 BXN90 못을 끝면 못박기하여 고정한다.
(2) 끝막이장선을 바닥구조의 양 끝에 위치시키고 CMN75 또는 BXN75 못을 150mm 이하의 간격으로 하부의 토대, 보 또는 아래층 벽의 이중(윗) 깔도리에 경사못박기하여 고정한다.
(3) 토대 또는 헤더에 대한 못박기는 표 2.4-1에 따른다.
3.3.5 바닥 개구부
(1) 바닥에 설치하는 개구부는 이를 구성하는 바닥장선과 같은 치수를 갖는 부재를 사용하여 개구부 헤더장선, 개구부 옆막이장선 등을 설치하여 보강한다.
(2) 개구부 헤더장선의 길이가 1,200mm를 초과하는 경우에는 개구부의 헤더장선 및 옆막이장선을 이중으로 설치하여야 하며 이중으로 설치되는 장선들은 하부에서 보 또는 내력벽에 의하여 지지되지 않는 한 이중장선의 너비에 적합한 안장쇠(행거)에 의하여 지지되어야 한다.
(3) 길이가 3,600mm를 초과하는 반장선은 하부에서 보 또는 내력벽에 의하여 지지되지 않는 한 안장쇠 또는 50mm×50mm 이상의 덧도리에 의하여 지지되어야 한다.
(4) 개구부 주변의 보강부재들 사이의 못박기는 표 2.4-1에 따른다.
3.3.6 바닥구조의 보강
(1) 상부의 내력벽은 하부의 바닥장선에 의하여 직접 지지되어야 하며 내력벽이 바닥장선과 평행하거나 또는 1,500N 이상의 집중하중이 작용하는 경우에는 하부의 바닥장선을 이중으로 설치하고 상부의 비내력벽이 바닥장선 사이에 바닥장선과 평행하게 배치되는 경우에는 양 측면의 바닥장선 사이에 바닥장선과 같은 치수의 부재를 사용하여 보막이를 800mm 이하의 간격으로 설치하여 보강하여야 한다.
(2) 기타 바닥구조의 보강이 필요한 경우 설계도서에 따른다.
(3) 내민 바닥장선
① 내민 바닥장선의 경우 장선의 치수가 38mm×140mm일 때는 지점을 넘어서 400mm까지, 장선의 치수가 38mm×235mm일 때는 지점을 넘어서 600mm까지 내민구조로 할 수 있으며 그 사이의 치수에 대해서는 직선보간법에 의하여 내민길이를 계산한다.
② 벽이나 보를 지나서 돌출된 바닥장선의 끝 부분이 상부의 내력벽을 지지하는 경우에는 바닥장선의 돌출길이를 바닥장선의 높이 이하로 제한하여야 하며 비내력벽을 지지하는 경우에는 돌출길이를 바닥장선 경간의 1/4 이하로 하여야 한다.
③ 구조계산에 의해 내력이 충분한 경우를 제외하고는 내민 바닥장선은 다른 층의 바닥하중을 지지하지 않아야 한다.
3.3.7 바닥보
(1) 바닥장선은 바닥보의 상단에 설치하거나 보의 측면에 연결한다.
(2) 바닥장선을 바닥보의 상단에 설치하는 경우에는 지지점 위에서 38mm 이상의 지압길이가 필요하다.
(3) 바닥장선을 바닥보의 측면에 연결하는 경우에는 안장쇠(행거)와 같은 접합철물을 사용하여 설치한다.
3.3.8 바닥장선의 파냄 및 구멍뚫기
(1) 가능하면 바닥장선에는 파냄이나 구멍이 없어야 하지만 배선 또는 배관의 목적으로 바닥장선에 파냄 또는 구멍뚫기를 하는 경우에는 바닥구조의 안전 및 내구성에 지장이 없도록 하여야 한다.
(2) 바닥장선의 파냄이나 구멍뚫기는 인장측을 피하여야 하고 경간의 중앙 1/3 부분 내에 위치해서도 안 된다.
(3) 바닥장선의 파냄 깊이 및 길이는 각각 부재 춤의 1/6 이하 및 1/3 이하로 하여야 한다.
(4) 바닥장선의 구멍은 부재 춤의 중앙부에 뚫어야 하고 구멍의 지름은 부재 춤의 1/3 이하로 하여야 하며 구멍의 가장자리는 바닥장선의 윗면 또는 밑면으로부터 50mm 이상 떨어져 있어야 하고 구멍이나 파냄 사이의 상호 간격은 100mm 이상이 되어야 한다.
(5) 장선이나 보의 끝면에 지점에 걸치기 위한 파냄을 하는 경우에 그 깊이를 부재 춤의 1/4 이하로 하여야 하며 이외의 인장측 파냄은 허용되지 않는다.
3.3.9 바닥덮개 붙이기
(1) 바닥덮개용 판재의 품질은 표 2.2-1에 따르며 두께는 18mm 이상으로 한다.
(2) 구조용 합판은 표면의 섬유방향이 바닥장선의 방향과 직교하도록 설치하고 오에스비와 같은 구조용 판재는 긴 방향이 바닥장선의 방향과 직교하도록 설치한다.
(3) 바닥덮개는 판재와 판재의 이음 부분이 연속되지 않도록 하며 3개 이상의 바닥장선에 걸치도록 설치한다.
(4) 바닥덮개의 접합 부분에 제혀쪽매 가공이 된 경우를 제외하고 판재의 측면을 따라서 바닥장선 사이에 보막이를 설치하여 받침을 제공하여야 한다.
(5) 바닥덮개는 바닥장선과의 사이에 KS M 3702 및 KS M 3735에 적합한 내수 접착제 또는 이와 동등 이상의 접착제를 도포한 후 표 2.4-1에 따라 못박기하여 고정한다.
3.4 벽체
3.4.1 일반사항
(1) 벽체는 수직하중을 지지하고 지붕과 바닥의 하중을 기초로 전달하는 역할을 하며 지진과 바람에 의하여 발생하는 수평하중에 저항한다.
(2) 모든 벽체는 수직으로 설치되어야 하며 벽체의 내부 및 외부 벽면은 마감재를 설치하기에 적합하도록 평평하여야 한다.
(3) 전단벽의 실외면 또는 한쪽 측면에는 두께 11mm 이상의 오에스비 또는 구조용 합판이 설치되어 수평하중을 효율적으로 지지할 수 있어야 한다.
3.4.2 내력벽
(1) 내력벽의 밑깔도리, 윗깔도리, 스터드 및 헤더에는 KS F 3020의 2등급 또는 이와 동등 이상의 허용응력을 지닌 규격구조재를 사용한다.
(2) 스터드의 간격은 설계도서에 따르며 특별히 명시된 바가 없는 경우에는 610mm이하로 한다.
(3) 1층 및 2층의 내력벽은 설계도서에 따르는 경우를 제외하고 원칙적으로 같은 내력벽선 상에 설치한다.
3.4.3 윗깔도리 및 밑깔도리
(1) 윗깔도리 및 밑깔도리는 각각의 벽면마다 하나의 부재로 사용하며 길이가 길어서 이음이 필요한 경우에는 스터드와 스터드 사이의 중앙에서 맞대고 스터드와 동일한 부재를 스터드 사이의 간격에 해당하는 길이로 잘라서 윗깔도리는 아랫면에 밑깔도리는 윗면에 덧대고 이음부의 좌우측 부재에 각각 CMN90 또는 BXN90 못 4개씩을 박아서 고정한다.
(2) 벽을 구성하는 골조부재 사이의 접합은 설계도서에 특별히 명시된 경우를 제외하고 표 2.4-1에 따른다.
3.4.4 내력벽의 헤더
(1) 헤더는 설계도서에 따라서 설치하며 헤더용 부재를 별도로 주문 제작하는 경우 이외에는 1종 구조재를 사용하여 조립보 또는 상자보를 만들어서 설치한다.
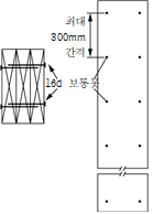
(2) 조립보는 1종 구조재 2장, 3장 또는 4장을 표 3.4-1과 같이 CMN90 또는 BXN90 못 2개씩을 300mm 간격으로 박아서 접합하며 접합하는 부재의 치수 및 수는 설계도서에 따른다.
(3) 상자보는 1종 구조재를 사용하고 CMN90 또는 BXN90 못을 100∼300mm 간격으로 박아서 표 3.4-1과 같이 접합하며 상하 플랜지 부재는 벽체의 스터드와 같은 치수의 부재를 사용하고 웨브부재의 치수 및 못의 간격은 설계도서에 따른다.
조립보 상자보 

3.4.5 내력벽의 모서리
(1) 내력벽의 모서리는 3개 이상의 스터드로 구성한다.
(2) 벽체의 끝 부분끼리 만나는 바깥모서리는 3개의 스터드를 사용하고 벽체의 중간에 다른 벽체와 만나는 교차부는 4개의 스터드를 사용하여 실내면에 석고보드 부착이 용이하도록 보강한다.
(3) 내력벽선이 상호 직각으로 교차하지 않는 경우의 처리는 설계도서에 따른다.
3.4.6 내력벽의 개구부
(1) 내력벽에 설치되는 개구부의 길이는 4m 이하로 하며 그 길이의 합계는 KDS 41 33 07(표 1.4-2)에 따른다.
(2) 내력벽에 길이 900mm 이상의 개구부를 설치하는 경우에는 개구부를 구성하는 스터드와 동일치수의 단면을 가지는 옆기둥에 의하여 지지되는 조립보 헤더를 KDS 41 33 07(표 1.4-3~표 1.4-6)에 따라서 구조내력 상 유효하게 설치하거나 상자보를 만들어서 설치한다.
3.4.7 양측 개구부 보강
건축물의 실외벽 모서리 부분의 양측에 개구부를 설치하는 경우에는 설계도서에 따른다.
3.4.8 스터드의 파냄 및 구멍 뚫기
(1) 가능하면 스터드에는 파냄이나 구멍이 없어야 하지만 배선 또는 배관의 목적으로 스터드를 파내거나 구멍을 뚫는 경우에는 벽체의 안전 및 내구성에 지장이 없도록 하여야 한다.
(2) 스터드에 파냄이나 구멍뚫기를 하는 경우에는 스터드 길이의 중앙 1/3 부분을 피하여 상하부 1/3 부분에 파냄이나 구멍뚫기를 하여야 한다.
(3) 내력벽 스터드의 파냄은 그 깊이가 스터드 너비의 1/4 이하로 제한되어야 한다.
(4) 스터드에 구멍을 뚫는 경우에 구멍의 지름은 단일스터드의 경우에는 너비(단면의 긴 치수)의 40% 이하가 되어야 하며, 이중스터드의 경우에는 너비(단면의 긴 치수)의 60% 이하가 되어야 하고 구멍은 스터드 측면으로부터 15mm 이상 떨어져 있어야 한다.
(5) 내력벽의 윗깔도리 또는 밑깔도리에 파냄이나 구멍뚫기를 하는 경우에 해당 부재의 너비가 50mm 이상 손상되지 않고 남아 있도록 하여야 하며 이를 넘는 경우의 보강은 설계도서에 따른다.
(6) 스터드에서 동일한 단면에 파냄과 구멍이 동시에 나타나서는 안 되며 파냄이나 구멍 사이의 간격은 100mm 이상이 되어야 한다.
3.4.9 벽덮개
(1) 벽덮개용 판재의 품질은 표 2.3-1에 따르며 두께는 11mm 이상으로 한다.
(2) 구조용 판재는 수직 또는 수평으로 사용할 수 있으며 수평으로 사용하는 경우에는 판재의 측면을 따라 스터드 사이에 스터드막이를 설치하여 받침을 제공한다.
(3) 구조용 판재를 사용하지 않고 석고보드만을 사용하는 경우에는 두께 12.5mm 이상의 석고보드를 사용하고 길이 50mm 이상의 나사못으로 석고보드 측면에서는 간격 75mm 이하, 그리고 석고보드 내부에서는 간격 125mm 이하로 고정한다.
(4) 구조용 판재는 표 2.4-1에 따라 판재의 가장자리에는 150mm 간격, 그리고 판재의 내부에는 300mm 간격으로 CMN50(또는 BXN50) 또는 CMN65(또는 BXN65) 못을 박아서 스터드에 고정시킨다.
3.4.10 벽 골조와 바닥구조와의 접합
(1) 바닥에서 벽체의 조립이 완료된 후 벽체를 세워서 밑깔도리를 바닥의 분필선에 정확하게 일치시키고 밑깔도리 위에서 각각의 스터드 사이마다 CMN90 또는 BXN90 못 2개씩을 박아서 고정시킨다.
(2) 벽체를 바닥에 고정시킨 후 위깔도리 위에 이중깔도리를 구조내력 상 유효하게 설치하며 벽과 벽이 만나는 부위에는 이중깔도리가 위깔도리와 엇갈리도록 배치하고 2개 이상의 CMN90 또는 BXN90 못으로 고정한다.
3.5 기둥
3.5.1 일반사항
(1) 기둥은 수직하중을 지지하고 지붕의 하중을 기초로 전달하는 역할을 한다. 일반적으로 경골목조건축은 벽식구조(상자형구조)로서 기둥이나 보를 사용하지 않고 내력벽 또는 전단벽이 수직하중을 지지하는 역할을 하지만 벽체를 설치하기 어려운 경우에는 기둥에 의하여 수직하중을 지지할 수도 있다.
(2) 기둥의 하부 및 상부는 그 아래 및 윗부분의 구조체와 수직 및 수평하중을 효율적으로 전달할 수 있도록 접합되어 있어야 한다.
(3) 설계도서에 특별히 명시된 경우를 제외하고 기둥의 중심은 수직으로 설치되어야 한다.
3.5.2 기둥의 설치
(1) 기둥부재의 치수 및 형식, 그리고 기둥의 위치 등은 설계도서에 따르며 인접한 구조부재와 구조적으로 일체화되어야 하고 기둥은 수직 및 수평하중을 지지하기에 구조내력 상 필요한 충분한 성능을 보유하여야 한다.
(2) 기둥은 기초, 토대, 바닥 등의 받침구조 위에 설치되어야 하며 접합철물 또는 부재 사이의 맞춤에 의하여 받침구조와 접합되어야 한다.
(3) 기둥부재에 구멍을 뚫거나 파내는 경우에 해당 부분을 적절히 보강하여 구조내력 상 필요한 충분한 성능을 유지할 수 있도록 하여야 한다.
(4) 기둥부재로 공학목재를 사용할 경우에는 해당 제품의 규격에 따라 인증된 것을 사용하여야 하며 부재의 치수는 구조계산에 의하여 결정되어야 한다.
3.6 지붕
3.6.1 일반사항
(1) 목조주택의 지붕은 외기로부터 주택 내부의 인명 및 재산을 보호하고 건축물에 작용하는 하중을 지지하며 주택의 단열성능을 향상시키는 역할을 한다.
(2) 지붕면은 평평하여야 하며 지붕 마감재를 설치하기에 적합하여야 한다.
(3) 지붕의 면과 면이 만나는 부위에는 마룻대, 마룻보, 귀서까래, 골서까래 등의 부재가 설치되어야 한다.
3.6.2 지붕구조
(1) 지붕구조는 서까래와 천장장선구조, 서까래와 조름보구조 또는 트러스구조로 할 수 있으며 이들 중에서의 선택은 설계도서에 따른다.
(2) 지붕의 서까래 및 천장의 장선으로는 KS F 3020의 1종구조재로서 2등급 또는 이와 동등 이상의 강도와 강성을 지닌 목재를 사용하고 경간은 KDS 41 90 33에 따르고, 그렇지 않은 경우KDS 41 00 00에 의한 구조계산에 따라서 결정하여야 한다.
(3) 지붕 서까래 또는 천장장선 상호간의 간격은 설계도서에 특별히 명시된 바가 없는 경우에는 610 mm이하로 한다.
3.6.3 서까래 방식에 의한 지붕
(1) 서까래 및 천장장선
① 일반적으로 서까래와 천장장선은 동일한 간격으로 배치하여 내력벽 위에서 상호 인접하여 만나도록 하고 표 3.6-1에 따라 CMN90 또는 BXN90 못을 박아서 고정하며 표 3.6-1에 주어진 지붕경사, 적설하중 및 경간의 중간값에 대해서는 직선보간에 의하여 구한다.
지붕경사 서까래 간격
(mm)시공하중
(1.0kPa 이하)적설하중(kPa) 1.0 2.0 지붕 경간(m) 3.6 10.8 3.6 10.8 3.6 10.8 3:12 305 4 10 4 12 7 20 406 5 13 5 15 9 26 610 7 19 8 23 13 38 4:12 305 3 8 3 9 6 15 406 4 10 4 12 7 20 610 5 15 6 17 10 29 5:12 305 3 6 3 7 5 12 406 3 8 3 9 6 16 610 4 12 5 14 8 24 7:12 305 3 5 3 5 4 9 406 3 6 3 7 5 12 610 3 9 4 10 6 17 9:12 305 3 4 3 4 3 7 406 3 5 3 5 4 9 610 3 7 3 8 5 13 12:12 305 3 3 3 3 3 6 406 3 4 3 4 3 7 610 3 5 3 6 4 10 ② 서까래 및 천장장선은 KS F 3020의 2등급 또는 이와 동등 이상의 허용응력을 지닌 1종 구조재로서 너비 140mm 이상의 것을 사용하며 치수 및 간격 등의 세부사항은 설계도서에 따른다.
③ 서까래 및 천장장선 상호간의 간격은 600mm 이하로 하며 일반적인 간격은 300, 400 또는 600mm로 한다.
(2) 마룻대와 서까래의 접합
① 마룻대는 두께 25mm 이상으로서 서까래의 경사절단 길이 이상의 너비를 갖는 부재를 사용하여야 한다.
② 서까래와 서까래 사이가 벌어지는 것을 방지하기 위하여 천장장선, 조름보 또는 지붕마루 띠쇠 등을 설치하여야 하며 이들 부재 사이의 고정방법은 표 3.6-1 및 표 3.6-2에 따른다.
③ 서까래 및 천장장선 상호간의 간격은 610 mm 이하로 하며 일반적인 간격은 300, 400 또는 600mm로 한다.
지붕의 경사각 지붕의 경간
(m)아래의 풍속(m/s)대에서 지붕마루 띠쇠의 한쪽 끝 부분에 사용되는 CMN65 못의 수 25 30 35 40 45 3:12 3.6 1 1 1 2 2 7.2 1 1 2 2 3 10.8 1 2 2 3 4 4:12 3.6 1 1 1 1 2 7.2 1 1 2 2 2 10.8 1 2 2 2 3 5:12 3.6 1 1 1 1 1 7.2 1 1 1 2 2 10.8 1 1 2 2 3 6:12 3.6 1 1 1 1 1 7.2 1 1 1 1 2 10.8 1 1 2 2 2 7:12∼
12:123.6 1 1 1 1 1 7.2 1 1 1 1 2 10.8 1 1 2 2 2 (3) 서까래와 이중깔도리 사이의 접합
① 서까래는 벽체와 만나는 부위에 걸침턱을 파서 이중깔도리 위에 걸쳐야 하며 걸침턱의 길이는 서까래의 수직하중을 지지하기에 충분하여야 한다.
② 벽체 위에서 서까래의 고정은 설계도서에 따르며 서까래를 못으로 고정하는 경우에는 CMN90 또는 BXN90 못 2개를 경사못박기로 고정한다.
③ 서까래를 접합철물로 고정하는 경우에 사용되는 철물의 종류, 형식 및 고정방법 등은 설계도서에 따르고 철물 고정용 못을 사용하여 구조내력 상 안전하게 고정하여야 한다.
(4) 처마
① 서까래의 처마 돌출길이는 서까래 경간의 1/2과 600mm 중에서 작은 값 이하로 하여야 한다.
② 박공처마는 38mm×89mm의 박공 반자를 2개 이상의 서까래에 걸쳐서 연속부재로 설치하고 이 경우에 박공처마의 돌출길이는 박공반자 길이의 1/2과 600mm 중에서 작은 값 이하로 하여야 하며 박공반자를 1개의 서까래에 걸쳐서 박공블록으로 설치하는 경우에는 박공처마의 돌출길이를 300mm 이하로 제한하여야 한다.
(5) 조름보
① 천장장선이 설치되거나 또는 구조내력 상 유효한 방법으로 보강된 경우를 제외하고 서까래에는 조름보를 구조내력 상 유효하게 설치한다.
② 조름보는 서까래 높이의 절반 이하에 설치하며 서까래와 동일한 치수의 규격구조재를 한쪽 면에 5개 이상의 CMN90 또는 BXN90 못으로 서까래에 고정한다.
③ 천장장선과 서까래가 유효하게 접합된 경우에는 조름보를 설치할 필요가 없다.
④ 설계도서에 따라 천장장선과 함께 조름보를 설치하는 경우에는 3개의 서까래마다 1개의 조름보를 설치하고 천장장선 없이 조름보를 설치하는 경우에는 각각의 서까래마다 조름보를 설치한다.
(6) 지붕골조에 대한 파냄 및 구멍 뚫기는 바닥구조에 대한 파냄 및 구멍 뚫기와 동일하게 적용한다.
3.6.4 지붕트러스
(1) 트러스를 설치하는 경우에는 트러스 전문제조업체에서 설계 및 제작한 것을 사용하고 제조업체에서 요구하는 방법에 따라서 설치하며 시공방법은 설계도서에 의한다.
(2) 트러스 설계에서 지정하지 않은 트러스 부재의 파냄이나 구멍 뚫기는 허용되지 않는다.
3.6.5 지붕의 개구부
지붕에 설치되는 개구부는 지붕 서까래와 같은 치수를 갖는 부재를 사용하여 개구부 헤더장선, 개구부 옆막이 장선 등을 설치하고 부재의 배치 및 못박기는 설계도서에 따른다.
3.6.6 지붕덮개
(1) 지붕덮개용 판재의 품질은 표 2.3-1에 따르며 두께는 11mm 이상으로 한다.
(2) 지붕덮개는 강축(판재의 긴 치수)을 서까래에 직각 방향으로 설치하며 지붕덮개의 인접한 열 사이에 짧은 측면이 서로 엇갈리도록 설치한다.
(3) 지붕덮개로 사용되는 구조용 판재의 등급 및 경간은 판재 위에 찍힌 등급인에 의하여 식별하며 구조용 판재의 경간은 600mm 이하로 한다.
(4) 지붕덮개용 판재에 대한 못박기는 표 2.4-1에 따르며 판재의 가장자리에서는 150mm 이하, 그리고 판재의 중간부에서는 300mm 이하의 간격으로 서까래, 지붕보 또는 트러스 상현재 및 받침부재에 표면못박기하여 고정한다.
3.7 석고보드 붙이기
(1) 석고보드는 골조부재에 직각으로 설치하고 스터드의 간격은 600mm 이하로 한다.
(2) 1매 붙이기를 하는 경우에 석고보드 고정용 못은 KS F 3514에 적합한 GNF40 혹은 KS D 7052에 의한 SFN45 또는 길이 32mm 및 지름 2.5mm 이상의 경사 나삿니못 혹은 원형 나삿니못을 사용한다.
(3) 2매 붙이기를 하는 경우에 석고보드 고정용 못은 GNF50, SFN50 또는 길이 50mm 및 지름 2.5mm 이상의 경사 나삿니못 혹은 원형 나삿니못을 사용한다.
(4) 못의 간격은 천장에서는 180mm, 벽체에서는 200mm를 초과하지 않아야 한다. 나사못의 간격은 지지부재의 간격이 600mm 미만, 400mm 이상일 경우에는 400mm를 초과할 수 없으며 400mm 미만일 경우에는 300mm를 초과할 수 없다.
(5) 2매 붙이기에서 못박기 간격은 천장 붙이기의 경우에는 보드 가장자리와 중간부 모두에서 300mm 이하로 하고 벽 붙이기의 경우에는 보드 가장자리와 중간부 모두에서 200mm 이하로 한다.
(6) 2매 붙이기를 하는 경우에 바탕보드와 마감보드의 못 또는 나사못 설치 위치가 중복되지 않도록 한다.
(7) 벽의 모서리 또는 천장장선과 평행한 방향의 벽 이중깔도리 위에는 받침부재를 설치하거나 또는 보드클립 등을 설치하여 석고보드 받침으로 사용한다.
3.8 다층 건물의 시공
3.8.1 일반사항
(1) 연속기초
① 설계도서에서 기초의 형식에 대하여 특별히 정한 바가 없는 경우에는 연속기초로 하고 줄기초의 두께는 1층 벽 두께의 2배로 한다. 기초의 깊이는 지지면이 지반의 동결깊이보다 깊어야 한다 .
② 기초에 사용하는 재료 및 공법 등은 KCS 11 50 00에 따른다.
(2) 접합철물을 사용하는 경우에 그 품질은 KS F 4514에 따르며 이와 동등 이상의 성능을 가진 것은 담당원의 승인을 받아 사용할 수 있다.
(3) 다층건물의 1층 벽 스터드로 사용되는 부재의 치수는 38mm×140mm 이상으로 한다.
(4) 건축물의 내력벽은 해당 지역의 지진하중 및 수직하중에 대하여 충분한 강도와 강성을 갖도록 설계 및 시공되어야 하며 적절한 철물을 사용하여 접합되어야 한다.
(5) 내력벽에 설치되는 개구부는 구조내력에 지장을 초래해서는 안 되며 적절한 부재를 사용하여 주변부를 보강하여야 한다.
3.8.2 시공
(1) 1층 내력벽과 기초 사이의 접합
① 설계도서에서 특별히 명시된 경우를 제외하고 벽체를 구멍 뚫린 전단벽으로 시공하는 경우에는 내력벽의 양끝 모서리 부분에 기초용 인장철물(홀드다운 및 고정볼트)을 사용하여 모서리 스터드를 기초에 접합하여야 한다.
② 하나의 모서리에서 한쪽 벽체에 인장철물(홀드다운 및 고정볼트)이 설치되고 직각 방향의 벽체가 이 시방서에 따라서 접합된 경우에는 추가적인 인장철물의 설치가 요구되지 않는다.
③ 벽체를 분리 전단벽으로 시공하는 경우에는 각각의 전단벽 부분의 양 끝에 기초용 인장철물(홀드다운 및 고정볼트)을 사용하여 스터드를 기초에 접합하여야 한다.
(2) 윗층과 아래층 내력벽 사이의 접합
① 풍하중이나 지진하중과 같은 수평하중 하에서 발생하는 인장하중에 저항하기 위하여 윗층과 아래층 내력벽 사이에 층간연결 인장철물(상하부 홀드다운 및 긴 볼트)을 설치한다. 하나의 홀드다운은 윗층 내력벽의 스터드에 설치하고 다른 하나는 아래층 내력벽의 스터드에 설치한 후 이들 사이를 바닥을 관통하는 볼트로 연결하고 너트 및 와셔를 사용하여 단단히 조인다.
② 풍하중이나 지진하중과 같은 수평하중 하에서 발생하는 인장하중이 17.8kN을 초과하지 않는 경우에는 상하부 내력벽의 스터드에 강철띠쇠를 설치하여 접합할 수 있으며 이 경우에 강철띠쇠는 상하부 내력벽에 각각 300mm 이상 접합되어야 한다.
③ 풍하중이나 지진하중과 같은 수평하중 하에서 발생하는 인장하중이 17.8kN을 초과하는 경우에는 지름 28mm 이상의 골이 파인 강철봉으로 연결된 타이다운(tie down)을 사용하여 시공할 수 있으며 이 강철봉은 기초에 결합되어야 한다.
④ 층간 연결 인장철물(상하부 홀드다운 및 긴 볼트)은 반드시 3개 이상의 스터드가 조립된 부재에 설치하여야 한다.
(3) 바람에 의한 상향력과 전단력에 저항하기 위한 접합부
① 바람에 의한 상향력에 저항하기 위하여 기초-벽, 아래층-윗층, 벽-지붕 등의 접합부를 강철띠쇠로 보강하고 강철띠쇠의 양쪽 끝을 각각 못을 박아 고정하며 못의 수는 표 3.8-1에 따른다.
서까래/천장장선 간격
(mm)지붕의 경간
(m)아래의 풍속대에서 강철띠쇠의 한쪽 끝에 사용되는 못의 수 25m/s 30m/s 35m/s 40m/s 45m/s 300/305 3.6 1 1 1 1 1 6.0 1 1 1 1 2 8.4 1 1 1 2 2 400/406 3.6 1 1 1 1 2 6.0 1 1 2 2 2 8.4 2 2 2 2 2 600/610 3.6 1 1 2 2 2 6.0 2 2 2 2 3 8.4 2 2 2 3 4 ① 전단력에 저항하기 위하여 덮개용 판재의 못박기 간격을 줄여서 시공할 수 있으며 판재의 두께를 증가시키고 등급이 높은 구조용 판재를 사용하여 전단력에 저항하기 위한 접합부를 구성할 수 있다.
② 풍속이 높은 지역에서는 덮개용 판재를 스터드에 접합하기 위하여 꺾쇠못(스테이플)을 사용해서는 안 된다.
(4) 건물의 수축에 대한 고려사항
① 다층 목구조 건축물에서 목재의 수축은 설계단계에서부터 계산되어야 하며 목재부재의 수축이나 벽돌치장벽에서 벽돌의 팽윤과 같은 움직임의 차이를 고려하여야 한다.
② 목재의 수축은 주로 섬유직각방향으로 발생하므로 토대, 벽체의 밑깔도리 및 윗깔도리, 바닥장선, 천장장선 등과 같이 수평으로 설치된 목재부재에 대해서만 수축을 계산한다.
③ 일반적으로 건조재가 사용된 2층 이하의 목조건축물에서는 수축의 발생량이 크지 않기 때문에 수축 계산을 실시하지 않으나 함수율이 높은 규격구조재를 사용한 경우에는 수축 계산을 실시하여야 한다.
④ 수축의 발생이 예상되는 경우에는 배선, 배관, 창문, 문 등이 건축물의 수축으로 인한 피해를 입지 않도록 설계 및 시공하여야 한다.
3.9 건물의 차음
3.9.1 일반사항
(1) 건축물의 세대 간 경계벽 및 칸막이벽 등을 차음구조로 하는 경우에 건축물의 벽체는 지붕 및 바로 윗 층 바닥판까지 닿도록 하여야 한다.
(2) 경골목구조에 사용하는 차음구조의 경계벽 및 칸막이벽은 국토교통부 고시 벽체의 차음구조 인정 및 관리기준에서 정하는 기준 이상의 차음성능을 확보하여야 한다.
3.9.2 차음재 설치
(1) 차음성능이 요구되는 세대 사이의 경계벽에는 이중 스터드를 설치하고 스터드 사이에 단열재를 연속하여 설치하여야 한다.
(2) 벽체에 소음을 줄이기 위한 차음채널을 설치할 경우에는 스터드의 중심간 간격과 같은 간격으로 차음채널을 배치하며 석고보드를 차음채널에 붙이는데 사용되는 나사못은 스터드에 닿지 않도록 설치하여야 한다.
(3) 스터드를 엇갈리게 배치하는 경우에는 밑깔도리 및 윗깔도리의 너비는 스터드 부재의 너비보다 50mm 더 큰 것으로 사용한다.
(4) 바닥과 천장구조의 차음성능을 향상시키기 위하여 바닥에 카펫을 설치할 수 있으며 바닥장선과 아래층 벽체와의 사이에 흡음패드를 설치하고 장선 사이에는 단열재를 설치한다.
(5) 아래층 천장에 소음방지채널을 설치하는 경우에는 소음방지채널과 석고보드를 모두 나사못으로 고정한다.
(6) 바닥구조의 차음성능을 향상시키기 위하여 온돌 아래에 차음재를 설치하고 바닥장선을 이중으로 엇갈리게 설치하는 2중 천장구조로 한다.
(7) 바닥 충격음 및 진동의 완화를 목적으로 바닥구조의 강성을 향상시키기 위하여 바닥장선 사이에 보막이를 1.2m 이하의 간격으로 설치할 수 있다.
'건축' 카테고리의 다른 글
건축계획 - 모듈(Module) (0) 2022.01.28 [건축구조] 하중 상태에 따른 보의 처짐각 및 최대 처짐 공식 (0) 2022.01.27 2021 KCS 41 33 02 한옥목공사 표준시방서 (0) 2022.01.26 소규모 건축물이란 (0) 2022.01.26 2021 KCS 41 33 01 목공사 일반 표준시방서 (0) 2022.01.26